Popis
                          
                        
                      
                      Popis
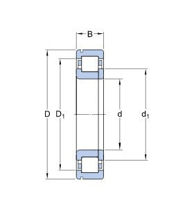
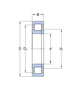
SKF Explorer NUP 210 ECNJ/C3 - jednořadové rozoberateľné radiálne valčekové ložisko s plechovou klietkou, s drážkou pre pojistný krúžok, s vyššou únosnosťou a s radiálnou vnútornou vôľou väčšou ako bežná. Ložisko môže pracovať pri teplotách až do +120°C. Vonkajší krúžok ložiska má dve vodivé príruby a vnútorný krúžok má jednu pevnú a jednu voľnú, ktorú tvorí voľný prírubový krúžok. Tým je znemožnený axiálny posun hriadeľa voči telu a ložisko je možné použiť ako obojstranne axiálne vodivé. Valčeky sú vedené prírubami. Ložisko je možné pre jednoduchšiu montáž rozčleniť na vonkajší krúžok spolu s klietkou s valčekmi, na vnútorný krúžok a na prírubový krúžok. Ložiská triedy SKF Explorer predstavujú novú triedu výkonných valivých ložísk, ponúkajú podstatné zvýšenie hlavných prevádzkových parametrov, ako sú hlučnosť, vibrácie, tepelné vyžarovanie, prevádzkova spoľahlivosť, dynamickú únosnosť a sú vyrábané s vyššou presnosťou ako bežné. Presnosť rozmerov zodpovedá triede presnosti P6.
                      
                  
                    Parametry
                    
                        
                    
                  
                
                Parametry
Drážka n:
                        
                    
                        
                          1x
Klietka:
                        
                    
                        
                          plechová
Vôľa:
                        
                    
                        
                          C3
Značenie:
                        
                    
                  NUP 210 ECNJ/C3
 
             
					 
					 
        
