Popis
Popis
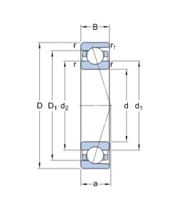
SKF 7216 ACDGA/P4A - presné nerozoberateľné jednoradové guľôčkové ložisko s kosoúhlou styčnou plochou, so styčným uhlom 25°, ľahká klec z fenolickej živice zosilnenej textilnou tkaninou, vedené osadením vonkajšieho krúžku, univerzálne párovatelné s ľahkým predpätím.
Ložisko môže prenášať axiálne zaťaženie len v jednom smere, preto je zvyčajne nastavené proti druhému ložisku.
Vnútorná vôľa jednoradových guľôčkových ložísk s kosoúhlou styčnou plochou je dosiahnutá až po montáži a závisí od nastavenia axiálnej polohy voči druhému ložisku, ktoré zabezpečuje axiálne vedenie v opačnom smere.
Ložiská na univerzálne párovanie sú montované po dvojiciach a sú vyrábané tak, aby pri zostavení pre axiálne zaťaženie v jednom smere, t. j. do tandemu, alebo pre axiálne zaťaženie v oboch smeroch, t. j. chrbtom k sebe do "O" alebo čelom k sebe do "X", bolo dosiahnuté vopred určené vnútorné voľné alebo predpätie, alebo rovnomerné rozloženie zaťaženia bez použitia vyrovnávacích podložiek.
Parametry
Parametry
Priemer D (mm):
140
Šírka A (mm):
38,8
Šírka B (mm):
26
Uhol (°):
25°
Značenie:
7216 ACDGA/P4A
