Popis
Popis
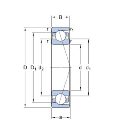
SKF 7211 CDGA/P4A - presné nerozoberateľné jednostranné valčekové ložisko s kužeľovým stykom, so styčným uhlom 15°, ľahkou klietkou z fenolovej živice zosilnenej textilnou tkaninou, vedené osadením vonkajšieho kruhu, univerzálne párovatelné s ľahkým predpätím.
Ložisko môže prenášať axiálne zaťaženie iba v jednom smere, preto je zvyčajne nastavené voči druhému ložisku.
Vnútorná voľnosť jednostranných valčekových ložísk s kužeľovým stykom je dosiahnutá až po montáži a závisí od nastavenia axiálnej polohy voči druhému ložisku, ktoré zabezpečuje axiálne vedenie v opačnom smere.
Ložiská pre univerzálne párovanie sú montované po dvojiciach a sú vyrábané tak, aby pri zostavení pre axiálne zaťaženie v jednom smere, t.j. do tandemu, alebo pre axiálne zaťaženie v oboch smeroch, t.j. chrbtom k sebe do "O" alebo čelom k sebe do "X", bolo dosiahnuté predom určené vnútorné voľnosť alebo predpätie, alebo rovnomerné rozloženie zaťaženia bez použitia vyrovnávacích podložiek.
Parametry
Parametry
Priemer D (mm):
55
Priemer D (mm):
100
Šírka A (mm):
21
Šírka B (mm):
21
Typ:
guľkové ložisko s kosoúhlým stykom
Uhol (°):
15°
Značenie:
7211 CDGA/P4A
