Popis
Popis
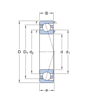
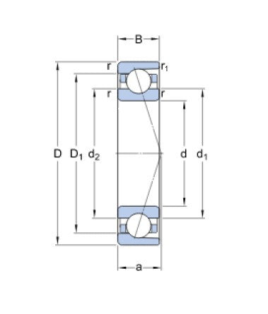
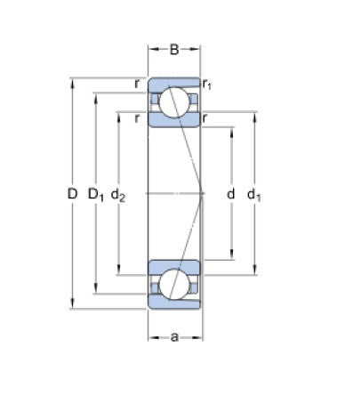
SKF 7211 ACDGA/P4A - presné nerozoberateľné jednořadé guľkové ložisko s kosoúhlym stykom, so stykovým uhlom 25°, ľahkou klecou z fenolovej živice zosilnenej textilnou tkaninou, vedené osadením vonkajšieho kruhu, univerzálne párovatelné s ľahkým predpätím.
Ložisko môže prenášať axiálne zaťaženie iba v jednom smere, preto je zvyčajne nastavené voči druhému ložisku.
Vnútorná vôľa jednořadých guľkových ložísk s kosoúhlym stykom je dosiahnutá až po montáži a závisí od nastavenia axiálnej polohy voči druhému ložisku, ktoré zabezpečuje axiálne vedenie v opačnom smere.
Ložiská pre univerzálne párovanie sú montované po dvojiciach a sú vyrobené tak, aby pri zostavení pre axiálne zaťaženie v jednom smere, t.j. do tandemu, alebo pre axiálne zaťaženie v oboch smeroch, t.j. chrbtom k sebe do "O" alebo čelom k sebe do "X" bolo dosiahnuté predom určené vnútorné voľné alebo predpätie, alebo rovnomerné rozloženie zaťaženia bez použitia vyrovnávacích podložiek.
Parametry
Parametry
Priemer D (mm):
55
Priemer D (mm):
100
Šírka A (mm):
28,7
Šírka B (mm):
21
Uhol (°):
25°
Značenie:
7211 ACDGA/P4A
