Popis
Popis
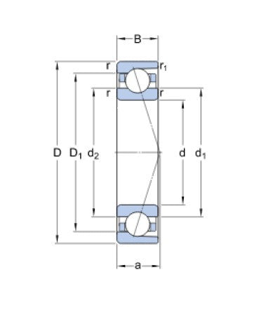
SKF 7208 ACDGA/P4A - presné nerozoberateľné jednoradové guľkové ložisko s kosoúhlym stykom, so styčným uhlom 25°, ľahkou klietkou z fenolovej živice zosilnenej textilnou tkaninou vedenou osadením vonkajšieho krúžku, univerzálne párovatelné s ľahkým predpätím.
Ložisko môže prenášať axiálne zaťaženie len v jednom smere, preto je zvyčajne nastavené voči druhému ložisku.
Vnútorná vôľa jednoradových guľkových ložísk s kosoúhlym stykom je dosiahnutá až po montáži a závisí od nastavenia axiálnej polohy voči druhému ložisku, ktoré zabezpečuje axiálne vedenie v opačnom smere.
Ložiská pre univerzálne párovanie sú montované po dvojiciach a sú vyrábané tak, aby pri zostavení pre axiálne zaťaženie v jednom smere, t.j. do tandemu, alebo pre axiálne zaťaženie v oboch smeroch, t.j. chrbát na chrbát do "O" alebo čelom na čelo do "X", bolo dosiahnuté predom určené vnútorné voľné alebo predpätie alebo rovnomerné rozloženie zaťaženia bez použitia vyrovnávacích podložiek.
Parametry
Parametry
Šírka A (mm):
23,1
Šírka B (mm):
18
Uhol (°):
25°
Značenie:
7208 ACDGA/P4A
