Popis
Popis
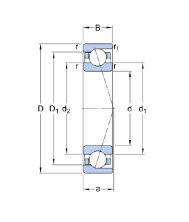
SKF 7207 ACDGA/P4A - presné nerozoberateľné jednoradové guľkové ložisko s kuželovým stykom, so styčným uhlom 25°, ľahká klietka z fenolovej živice zosilnenej textilnou tkaninou vedenou osadením vonkajšieho kruhu, univerzálne párovatelné s ľahkým predpätím.
Ložisko môže prenášať axiálne zaťaženie len v jednom smere, preto je zvyčajne nastavené proti druhému ložisku.
Vnútorná vôľa jednoradových guľkových ložísk s kuželovým stykom je dosiahnutá až po montáži a závisí od nastavenia axiálnej polohy voči druhému ložisku, ktoré zabezpečuje axiálne vedenie v opačnom smere.
Ložiská pre univerzálne párovanie sú montované po dvojiciach a sú vyrábané tak, aby pri zostavení pre axiálne zaťaženie v jednom smere t.j. do tandemu, alebo pre axiálne zaťaženie v oboch smeroch t.j. chrbtom k sebe do "O" alebo čelom k sebe do "X" bolo dosiahnuté predom určené vnútorné voľno alebo predpätie alebo rovnomerné rozloženie zaťaženia bez použitia vyrovnávacích podložiek.
Parametry
Parametry
Priemer D (mm):
72
Šírka A (mm):
21,1
Šírka B (mm):
17
Uhol (°):
25°
Značenie:
7207 ACDGA/P4A
