Popis
Popis
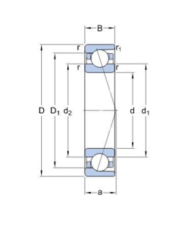
SKF 7020 CDGA/P4A - presné nerozoberateľné jednořadé kuličkové ložisko s kosoúhlým stykom, so stykovým uhlom 15°, ľahká kŕčok z fenolickej živice zosilnenej textilnou tkaninou vedenou osadením vonkajšieho krúžku, univerzálne párovatelné s ľahkým predpätím.
Ložisko môže prenášať axiálne zaťaženie len v jednom smere, preto je zvyčajne nastavené proti druhému ložisku.
Vnútorná voľnosť jednořadých kuličkových ložísk s kosoúhlým stykom je dosiahnutá až po montáži a závisí od nastavenia axiálnej polohy voči druhému ložisku, ktoré zabezpečuje axiálne vedenie v opačnom smere.
Ložiská pre univerzálne párovanie sú montované po dvojiciach a sú vyrobené tak, aby pri zostavení pre axiálne zaťaženie v jednom smere, t.j. do tandemu, alebo pre axiálne zaťaženie v oboch smeroch, t.j. chrbtom k sebe do "O" alebo čelom k sebe do "X" bolo dosiahnuté vopred určené vnútorné voľnosť či predpätie alebo rovnomerné rozloženie zaťaženia bez použitia vyrovnávacích podložiek.
Parametry
Parametry
Priemer D (mm):
100
Priemer D (mm):
150
Šírka A (mm):
28,8
Šírka B (mm):
24
Uhol (°):
15°
Značenie:
7020 CDGA/P4A
