Popis
Popis
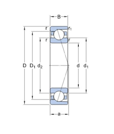
SKF 7020 ACDGA/P4A - presné nerozoberateľné jednoradové valčekové ložisko s kosoúhlým stykom, so styčným uhlom 25°, ľahká klietka z fenolickej živice zosilnenej textilnou tkaninou, vedené osadením vonkajšieho krúžku, univerzálne párovatelné s ľahkým predpätím.
Ložisko môže prenášať axiálne zaťaženie len v jednom smere, preto je zvyčajne nastavené proti druhému ložisku.
Vnútorná voľnosť jedno radových valčekových ložísk s kosoúhlým stykom je dosiahnutá až po montáži a závisí od nastavenia axiálnej polohy voči druhému ložisku, ktoré zabezpečuje axiálne vedenie v opačnom smere.
Ložiská pre univerzálne párovanie sú montované po dvojiciach a sú vyrobené tak, aby pri zostavení pre axiálne zaťaženie v jednom smere, t.j. do tandemu, alebo pre axiálne zaťaženie v oboch smeroch, t.j. chrbtom k sebe do "O" alebo čelom k sebe do "X" bolo dosiahnuté vopred určené vnútorné voľnosť alebo predpätie, alebo rovnomerné rozloženie zaťaženia bez použitia vyrovnávacích podložiek.
Parametry
Parametry
Priemer D (mm):
100
Priemer D (mm):
150
Šírka A (mm):
41,3
Šírka B (mm):
24
Uhol (°):
25°
Značenie:
7020 ACDGA/P4A
