Popis
Popis
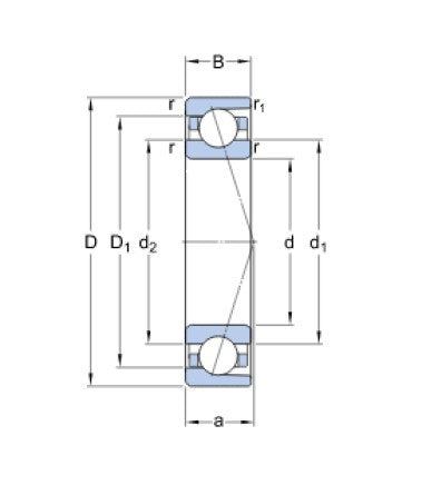
7017 ACDGA/P4A SKF Guľôčkové ložisko s kosoúhlym stykom
Parametry
Parametry
Presnosť:
P4
Priemer D (mm):
85
Priemer D (mm):
130
Šírka A (mm):
36,2
Šírka B (mm):
22
Typ:
vretienové ložisko
Uhol (°):
25°
Značenie:
7017 ACDGA/P4A
