Popis
Popis
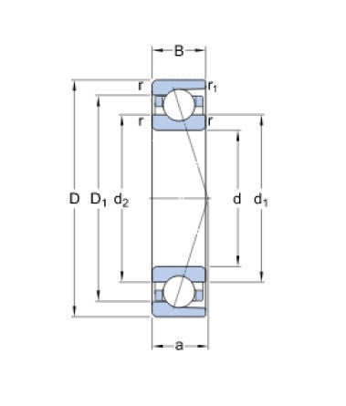
SKF 7012 CDGA/P4A vretenové ložisko
Parametry
Parametry
Priemer D (mm):
60
Priemer D (mm):
95
Šírka A (mm):
19,4
Šírka B (mm):
18
Typ:
guľkové ložisko s kosoúhlým stykom
Uhol (°):
15°
Značenie:
7012 CDGA/P4A
