Popis
Popis
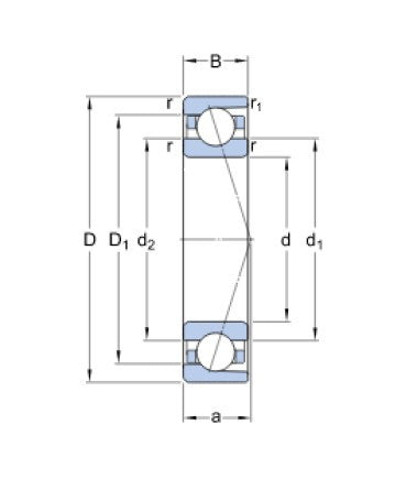
7012 ACDGA/P4A SKF Guľôčkové ložisko s kosoúhlym stykom
Parametry
Parametry
Priemer D (mm):
60
Priemer D (mm):
95
Šírka A (mm):
27,2
Šírka B (mm):
18
Teplota maximálna °C:
+100
Typ:
vretienové ložisko
Uhol (°):
25°
Značenie:
7012 ACDGA/P4A
