Popis
Popis
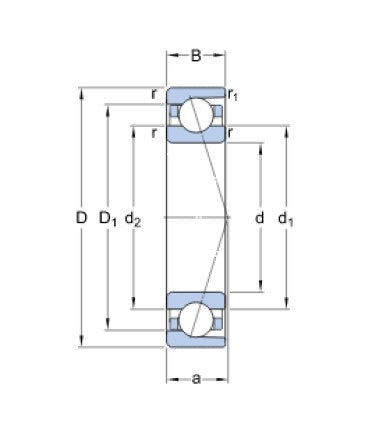
SKF 7007 CDGA/P4A - presné nerozoberateľné jednoradové guľkové ložisko s kosoúhlým stykom, so stykovým uhlom 15°, ľahká vložka z fenolovej živice zosilnenej textilnou tkaninou, vedené osadením vonkajšieho krúžku, univerzálne párovanie s ľahkým predpätím.
Ložisko môže prenášať axiálne zaťaženie len v jednom smere, preto je zvyčajne nastavené voči druhému ložisku.
Vnútorná voľnosť jednořadových guľkových ložísk s kosoúhlým stykom je dosiahnutá až po montáži a závisí od nastavenia axiálnej polohy voči druhému ložisku, ktoré zabezpečuje axiálne vedenie v opačnom smere.
Ložiská pre univerzálne párovanie sú montované po dvojiciach a sú vyrobené tak, aby pri zostavení pre axiálne zaťaženie v jednom smere, t.j. do tandemu, alebo pre axiálne zaťaženie v oboch smeroch, t.j. chrbtom ku sebe do "O" alebo čelom k sebe do "X", bolo dosiahnuté vopred určené vnútorné voľnosť alebo predpätie, alebo rovnomerné rozloženie zaťaženia bez použitia vyrovnávacích podložiek.
Parametry
Parametry
Priemer D (mm):
62
Šírka A (mm):
13,6
Šírka B (mm):
14
Typ:
guľkové ložisko s kosoúhlým stykom
Uhol (°):
15°
Značenie:
7007 CDGA/P4A
