Popis
Popis
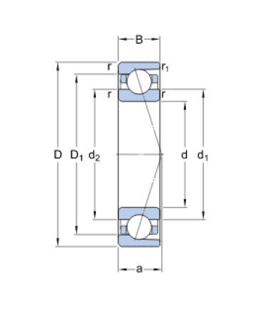
SKF 7007 ACDGA/P4A - presné nerozoberateľné jednořadové kuličkové ložisko s kosoúhlým stykom, so styčným uhlom 15°, ľahká klec z fenolovej živice zosilnenej textilnou tkaninou, vedené osadením vonkajšieho krúžku, univerzálne párovatelné s ľahkým predpätím.
Ložisko môže prenášať axiálne zaťaženie len v jednom smere, preto je zvyčajne nastavené voči druhému ložisku.
Vnútorná vôľa jednořadových kuličkových ložísk s kosoúhlým stykom je dosiahnutá až po montáži a závisí od nastavenia axiálnej polohy voči druhému ložisku, ktoré zabezpečuje axiálne vedenie v opačnom smere.
Ložiská pre univerzálne párovanie sú montované po dvojiciach a sú vyrábané tak, aby pri zostavení pre axiálne zaťaženie v jednom smere, t.j. do tandemu, alebo pre axiálne zaťaženie v oboch smeroch, t.j. vzad k sebe do "\O\" alebo čelom k sebe do "\"X\"", bolo dosiahnuté vopred určené vnútorné voľné alebo predpätie alebo rovnomerné rozloženie zaťaženia bez použitia vyrovnávacích podložiek.
Parametry
Parametry
Priemer D (mm):
62
Šírka A (mm):
18,5
Šírka B (mm):
14
Teplota maximálna °C:
+100
Typ:
vretienové ložisko
Uhol (°):
25°
Značenie:
7007 ACDGA/P4A
