Popis
Popis
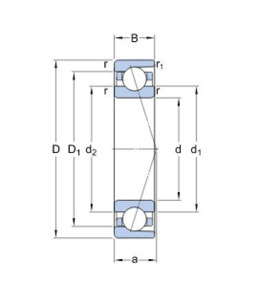
SKF 7006 CDGA/P4A - presné nerozoberateľné jednořadé kuličkové ložisko s kosoúhlým stykom, so stykovým uhlom 15°, ľahkou klecou z fenolickej živice zosilnenej textilnou tkaninou, vedené osadením vonkajšieho kruhu, univerzálne párovatelné s ľahkým predpätím.
Ložisko môže prenášať axiálne zaťaženie iba v jednom smere, preto je zvyčajne nastavené voči druhému ložisku.
Vnútorná vôľa jednořadých kuličkových ložísk s kosoúhlým stykom je dosiahnutá až po montáži a závisí od nastavenia axiálnej polohy voči druhému ložisku, ktoré zabezpečuje axiálne vedenie v opačnom smere.
Ložiská pre univerzálne párovanie sú montované po dvojiciach a sú vyrábané tak, aby pri zostavení pre axiálne zaťaženie v jednom smere, t.j. do tandemu, alebo pre axiálne zaťaženie v oboch smeroch, t.j. chrbtom k sebe alebo čelom k sebe, bolo dosiahnuté vopred určené vnútorné voľné alebo predpätie, alebo rovnomerné rozloženie zaťaženia bez použitia vyrovnávacích podložiek.
Parametry
Parametry
Priemer D (mm):
55
Šírka A (mm):
12,3
Šírka B (mm):
13
Teplota maximálna °C:
+100
Typ:
vretienové ložisko
Uhol (°):
15°
Značenie:
7006 CDGA/P4A
