Popis
Popis
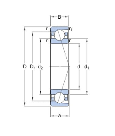
7006 ACDGA/P4A SKF Valivé ložisko s kosoúhlým stykom
Parametry
Parametry
Priemer D (mm):
55
Šírka A (mm):
16,6
Šírka B (mm):
13
Teplota maximálna °C:
+100
Typ:
vretienové ložisko
Uhol (°):
25°
Značenie:
7006 ACDGA/P4A
