Popis
Popis
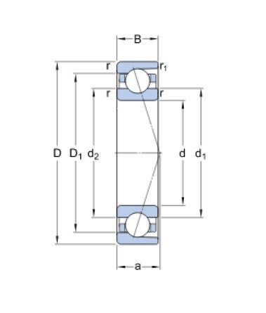
SKF 7005 CDGA/P4A - presné nerozoberateľné jednoriadkové guľkové ložisko s kuželovým stykom, so styčným uhlom 15°, ľahká vložka z fenolovej živice zosilnenej textilnou tkaninou, vedené osadením vonkajšieho krúžku, univerzálne párovatelné s ľahkým predpätím.
Ložisko môže prenášať axiálne zaťaženie iba v jednom smere, preto je zvyčajne nastavené voči druhému ložisku.
Vnútorná vôľa jednoriadkových guľkových ložísk s kuželovým stykom je dosiahnutá až po montáži a závisí od nastavenia axiálnej polohy voči druhému ložisku, ktoré zabezpečuje axiálne vedenie v opačnom smere.
Ložiská pre univerzálne párovanie sú montované po dvojiciach a sú vyrábané tak, aby pri zostavení pre axiálne zaťaženie v jednom smere, t.j. do tandemu, alebo pre axiálne zaťaženie v oboch smeroch, t.j. chrbtom k sebe do "O" alebo čelom k sebe do "X", bolo dosiahnuté predom určené vnútorné voľné alebo predpätie, alebo rovnomerné rozloženie zaťaženia bez použitia vyrovnávacích podložiek.
Parametry
Parametry
Priemer D (mm):
47
Šírka A (mm):
10,9
Šírka B (mm):
12
Teplota maximálna °C:
+100
Typ:
vretienové ložisko
Uhol (°):
15°
Značenie:
7005 CDGA/P4A
